План
ВВЕДЕНИЕ ……………….……………….……………….……………….……
1 ОРГАНИЗАЦИОННО-ЭКОНОМИЧЕСКАЯ ХАРАКТЕРИСТИКА
СК «ЮБИЛЕЙНЫЙ» ……………………………………………………….……
1.1 Природно-климатические условия хозяйства………………….…………
1.2 Анализ трудовых ресурсов …………………………………………………..
1.3 Землепользование и структура основных площадей ………….………..
1.4 Анализ работы машинно-тракторного и автомобильный парка………..
1.5 Обоснование темы дипломного проекта……………….….……………….
2 ТЕХНОЛОГИЧЕСКАЯ ЧАСТЬ……………….………………….………………
2.1 Разработка технологической карты …………………………………..……
2.2 Разработка операционной карты ……………..…………………….………
2.2.1 Условия работы..……………… ..……………… ..……………… …...…...
2.2.2 Агротехнические требования ..……………… ..……………… ….………
2.2.3 Подготовка комбайна к уборке..……………… ..………………… ...……
2.2.4 Подготовка поля ..……….………… ..……………… ..…………….… ..…
2.2.5 Работа агрегата в загоне ..……………… ..……………… ..…….………
2.2.6 Контроль качества работы ..……………… ..……………… ……….……
2.3 Определение состава уборочно-транспортного звена ..…….…….……
2.4 Выводы по второму разделу ..……………… ..……………… ……….……
3 ОСНОВНЫЕ КОНСТРУКТИВНЫЕ ХАРАКТЕРИСТИКИ РАЗРАБОТКИ .…………
3.1 Молотильно-сепарирующие устройства комбайнов зарубежных фирм
3.2 Молотильно-сепарирующие устройства комбайнов классической схемы …….……………………………………………..………….………….…
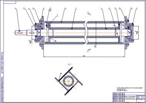
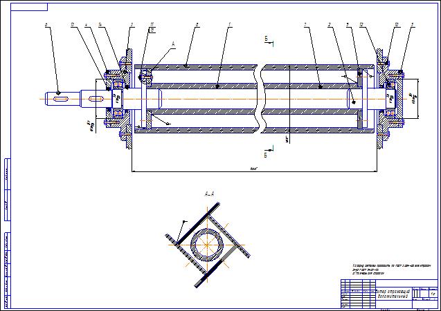
3.3 Модернизация молотильно-сепарирующего устройства зерноуборочного комбайна КЗС-18 «Полесье»…….…………………………………….
3.3.1 Конструкция молотильно - сепарирующего устройства …….………..
3.3.2 Теоретические расчеты молотильного устройства …….……………..
3.3.3 Обоснование разработки ……………………………….……………….…
3.3.4 Расчет проектных рабочих органов…………………....……………….…
3.3.5 Расчет пальцевого битера………………....……………….………………
4 БЕЗОПАСНОСТЬ ЖИЗНЕДЕЯТЕЛЬНОСТИ……………….………………..
4.1 Анализ условий труда……………….……………….……………….……….
4.2 Разработка комплексных решений, обеспечивающих безопасность…….
4.3 Разработка решений по экологической безопасности …….……………
4.3.1 Расчет площади уплотнения почвы мобильными агрегатами при возделывании и уборке зерновых культур ...………….……………….………
5 ТЕХНИКО-ЭКОНОМИЧЕСКОЕ ОБОСНОВАНИЕ ПРОЕКТА………………
ВЫВОДЫ И ПРЕДЛОЖЕНИЯ …………….………………….………………
ЛИТЕРАТУРА……………….……………….……………….………………….
ПРИЛОЖЕНИЯ……………….……………….……………….………..………
Введение
Широкое внедрение в аграрный комплекс страны интенсивных технологий, которые создают наилучшие условия для выращивания сельскохозяйственных культур - важный резерв прироста их валовых сборов.
Уборка является завершающей операцией в технологии выращивания сельскохозяйственных культур. Период уборки зерновых колосовых и зернобобовых культур ограничен агротехническими сроками в 6-7 дней от начала полной спелости зерна. Еще более жесткие требования к уборке рапса и других культур, которые легко осыпаются. В структуре общих затрат на производство сельскохозяйственных культур уборка занимает 31-50% затрат энергии и 45-60% трудовых затрат.
Сроки уборки зерновых культур определяются биологическими особенностями культуры, погодными условиями и характером почвы. Уборку необходимо проводить своевременно, в сжатые агротехнические сроки, потому задержка с уборкой зерновых культур приводит к значительным потерям урожая.
Зерноуборочная техника помогает своевременно и быстро собрать урожай. Прототип современного зерноуборочного комбайна был создан в XIX веке на конной тяге. С появлением тракторов состоялся дальнейшее развитие комбайнов.
Когда-то скошенные стебли зерновых культур вязали в снопы и укладывали в скирды, где зерно созревало и досушивалось. Через некоторое время его обмолачивали молотилкой. Сбор, таким образом, было раздельным, двухфазным.
С появлением комбайна уборка колосовых культур стала проще. За один проход комбайн полностью выполняет все уборочные операции:
срезание стеблей, обмолот, очистка зерна и сбор растительных остатков. Этот способ уборки назвали прямым. Сейчас при уборке зерновых культур широко используются оба способа.
В конце XX века с развитием зерноуборочной техники значительно повысилась производительность, возросли техническая и технологическая эффективность всего комплекса зерноуборочных машин: жаток, комбайнов, средств первичной переработки и хранения зерна, а также сбора и сдачи не зерновой части урожая.
В передовых странах мира развитие зерноуборочных машин достигло высоких показателей пропускной способности, качества обмолота, соответствующего уменьшения металло-и энергоемкости. Ведущие комбайностроительные фирмы мира предложили рынку новые модели мощных и производительных комбайнов нового (четвертого) поколения.
Эффективной особенностью этих машин является увеличение продолжительности и интенсивности воздействия молотильных рабочих органов при перемещении хлебной массы. Это достигается за счет установки дополнительных молотильно-сепараторных барабанов, увеличение площади соломотряса, совершенствование системы очистки зерна. Современные комбайны более комфортные, у них повышенная энергонасыщенность технологического процесса. Для уменьшения потерь зерна широко применяются электронные системы контроля и автоматического регулирования технологического процесса. Так, система «Автоконтур» обеспечивает копирование рельефа поля жаткой в поперечном и продольном направлениях движения комбайна, а также различные варианты системы выравнивания молотилки при работе на склонах. В современных комбайнов существенно увеличена площадь очистных рабочих органов, емкость зернового бункера и производительность выгрузного устройства.
На сегодня в стране сложилась такая ситуация, что комбайновый парк необходимо обновить новыми надежными и высокопроизводительными машинами: комбайнами КЗС-1218 «Полесье», «Вектор», «Акрос», «Енисей» и «TORUM». Последний, характеризуется надежностью, качественной работой при минимальном уровне затрат, снижением удельных затрат труда и топлива.
Список литературы
1. Ищенко Т.А. Технология выращивания пшеницы на основе планирования урожая. - М.: Агропромиздат, 1989
2. Буклагин Д.С. Технологическая настройка машин и качество механизированных работ. – М: Госагропром СССР, АгроНИТЭИИТО, 1989
3. Дайфер Д.С. Повышение производительности, снижение потерь и со-хранение качества при комбайновой уборке – ВЕБ Термометербау ГДР – 43,2000
4. Иофилов С.А., Лышко Г.П. Эксплуатация машинно-тракторного парка, – М: Колос, 1988
5. Конарев Ф.М. Охрана труда и техника безопасности.-М: Агропромиздат, 1988
6. Боголюбов С.К. Черчение – М: Машиностроение, 1982
7. Добыш Г.П. Справочник по эксплуатации машинно-тракторного парка-Мн.: Ураджай, 1987
8. Бубнов В.З. Эксплуатация машинно-тракторного парка. – М, 19801. Годовые отчеты хозяйственной деятельности хозяйства за 2010-2012 годы.
2. Беляев Н.М. Сопротивление материалов .- М.:Наука. 2006.
3. Гринь А.М., Акименко Д.А. Определение состава уборочно-транспортного звена и построение графика согласования работы уборочных и транспортных агрегатов. Метод. указания. Брянск. Издательство БГСХА.2010.-16с.
4. Дайфер Д.С. Повышение производительности, снижение потерь и сохранение качества при комбайновой уборке – ВЕБ Термометербау – 2010
5. Дроздов В.Н. Настройка и регулировка сельскохозяйственной техники для возделывания зерновых культур.- Москва: Росагропромиздат, 2008.
6. Иофинов С.А. и другие. Справочник по эксплуатации машинно-тракторного парка.- М.: Агропромиздат, 1985.
7. Ищенко Т.А. Технология выращивания пшеницы на основе планирования урожая. - Мн.: Уроджай, 2011
8. Коимский В.С. Основы земледелия и растениеводства. – М.: Агропромиздат, 2000.
9. Крищенко В.П. Интенсивная технология возделывания озимой и яровой пшеницы. – М.: Высшая школа, 2008.
10. Ламан Н.А., Певнев А М. Производство и современные технологии возделывания зерновых за рубежом. - Гомель: Агропромиздат, 2008
11. Мартыков Б.П. Возделывание зерновых культур по интенсивной технологии.- М.: Росагропромиздат, 2008.
12. Ормаджин К.С. Правило производства механизированных работ под промышленные культуры. – М.: Россельхозиздат, 1986.
13. Справочник по машиностроительному черчению. – Ленинград: Машиностроение, 1981.
14. www.gomselmash.com
Совершенствование механизации возделывания озимой пшеницы с модернизацией молотильно-сеперирующего устройства зерноуборочного комбайна КЗС-1218 «Полесье
Цель нашей компании - помогать людям при трудностях в написании дипломных, курсовых, рефератов и других учебных работ. Вы берете ответственность за Ваши знания, мы берем ответственность за Ваше спокойствие.
В наличии
Номер: V20
Характеристики
| Тип | Диплом |
| Год | 2013 |
| Кол-во страниц | 100 |
Широкое внедрение в аграрный комплекс страны интенсивных технологий, которые создают наилучшие условия для выращивания сельскохозяйственных культур - важный резерв прироста их валовых сборов.
5000 руб.
Заказать работу
Задать вопрос
Заказать работу
Оформите заявку на сайте, мы свяжемся с вами в ближайшее время и ответим на все интересующие вопросы.
