План
Введение………………………………………………………………………… 6
1 Организационно-экономическая характеристика КСУП «Совхоз «Коммунист»………………………………………………………………….
7
1.1 Общие сведения о хозяйстве………………………………………………. 7
1.2 Состав и структура земельного фонда…………………………………….. 11
1.3. Специализация КСУП «Совхоз «Коммунист»…………………………… 14
1.4. Обеспеченность хозяйства трудовыми ресурсами………………………. 15
1.5. Обеспеченность хозяйства основными средствами……………………… 16
1.6 Уровень эффективности производства……………………………………. 17
1.7 Состав и структура машино-тракторного парка………………………….. 21
2.Технологическая часть……………………………………………………….. 25
2.1. Технология возделывания картофеля…………………………………….. 25
2.1.1. Требования к почвам…………………………………………………….. 25
2.1.2. Выбор предшественников ………………………………………………. 26
2.1.3. Обработка почвы…………………………………………………………. 27
2.1.4. Внесение удобрений……………………………………………………… 28
2.1.5. Подготовка посадочного материала…………………………………….. 29
2.1.6 Посадка…………………………………………………………………….. 30
2.1.7 Уход за посадками………………………………………………………… 32
2.1.8 Борьба с сорняками……………………………………………………….. 33
2.1.9 Борьба с вредителями и болезнями……………………………………… 34
2.1.10 Уборка картофеля………………………………………………………… 35
2.1.11Послеуборочная доработка и хранение картофеля…………………….. 36
2.2. Расчет агрегата……………………………………………………………… 38
2.2.1.Расчет состава агрегата для выполнения вспашки……………………… 38
2.2.2.Расчет рациональной кинематики агрегата для выполнения вспашки… 40
2.2.3.Расчет сменной производительности агрегата и определение погектарного расхода топлива для выполнения вспашки………………
42
2.2.4. Расчет состава агрегата для выполнения дискования…………………. 47
2.2.5.Расчет рациональной кинематики агрегата для выполнения
дискования…………………………………………………………………
49
2.2.6.Расчет сменной производительности агрегата и определение
погектарного расхода топлива при выполнении дискования………….
51
2.2.7.Расчет состава агрегата на вторую междурядную обработку
картофеля………………………………………………………………….
55
2.2.8 Расчет состава агрегата…………………………………………………… 57
2.2.9 Определение рациональной кинематики агрегата……………………… 58
2.3.Разработка технологической карты на возделывание картофеля………. 60
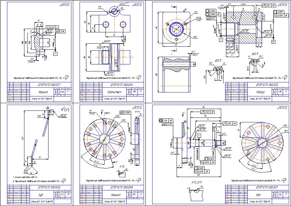
3. Конструкторская часть………………………………………………………. 69
3.1 Описание патентов…………………………………………………………. 69
3.2 Описание конструкции…………………………………………………….. 75
3.3 Эксплуатация предлагаемой конструкции………………………………… 77
3.4 Прочностные расчеты………………………………………………………. 78
3.4.1.Расчет зуба на прочность………………………………………………… 78
3.4.2.Расчет держателя на изгиб……………………………………………….. 79
3.4.3.Расчет на прочность катета сварного шва………………………………. 82
4.Безопасность жизнедеятельности……………………………………………. 84
4.1.Анализ условий труда……………………………………………………… 84
4.1.1.Опасные и вредные производственные факторы при возделывании картофеля…………………………………………………………………
84
4.1.2. Оценка условий труда при возделывании картофеля ………………… 85
4.2. Разработка комплесных решений обеспечивающих безопасность жизнедеятельности………………………………………………………..
87
4.2.1. Мероприятия по улучшению условий труда…………………………… 87
4.2.2. Расчет виброизоляции рабочего места тракториста…………………… 88
4.3. Разработка решений по экологической безопасности…………………… 90
5. Технико-экономическое обоснование проекта…………………………….. 92
5.1. Расчет экономической эффективности разработки культиватора……… 92
5.1.1. Определение затрат на изготовление культиватора…………………… 92
5.2.Расчет прямых эксплуатационных затрат………………………………… 96
5.3.Определение дополнительных капитальных вложений в проектируемой технологии возделывания картофеля………………………………………..
99
5.4.Расчет годового экономического эффекта и срока окупаемости дополнительных капитальных вложений……………………………………
99
Заключение
Литература
Приложение
Введение
Решающую роль в подъеме сельскохозяйственного производства принадлежит выполнить процессам комплексной механизации и автоматизации производства. Необходимо принять новейшие интенсивные технологии возделывания сельскохозяйственных культур, основанные на достижение науки и техники. Это позволит уменьшить долю ручного труда, увеличить производительность и уменьшить затраты.
Картофель - важнейшая продовольственная культура, получившая название «второго хлеба». Картофель – культура универсального использования. В клубнях картофеля содержится в среднем от 14 до 22 % крахмала, 2-3 % белка. Спирт из картофеля до сих пор незаменим в фармацевтической, парфюмерной и ликероводочной промышленности. Крахмал используют в кондитерском, текстильном и колбасном производстве.
Велико значение картофеля как кормового растения. Он - основной компонент в кормовых рационах свиней, применяется для кормления молочного скота и домашней птицы. В 1 кг картофеля содержит 0,3 корм. ед. На корм скоту используют и отходы промышленного производства: мезгу (крахмальное производство) и барду (спиртовое производство).
Важная роль в освоении и внедрении передовых технологий принадлежит эффективному использованию сельскохозяйственной техники. Специалисту сельского хозяйства, с агротехническими требованиями, предъявляемыми к технологическому процессу необходимо уметь и знать способы настройки и регулировки машин на оптимальные режимы работы в зависимости от конкретных условии. Необходимо также знать основы производственной эксплуатации машинно-тракторного парка, так как правильное использование сельскохозяйственной техники позволяет значительно увеличить производительность машины, улучшить их сохранность, выполнять полевые работы в оптимальные сроки с высоким качеством и получать гарантированные урожаи сельскохозяйственной продукции с минимальными затратами труда и средств.
Список литературы
1. Гуревич Д.Ф.. Цырин А.Л. Ремонтные мастерские колхозов и совхозов.-Л.;Агропромиздат. 1988-336с.
Эксплуатация машинно-тракторного парка/ А.П. Ляхов. А.В. Новиков. Ю.В. Будько и др-Мн.: Уроджай 1991.-336с.
3.Справочник механиазатора-мелиоратора/[В. А. Скотников, А. А. Мащенский, В. Н. Кондратьев и др.]; Под ред. В. А. Скотникова. – Мн.: Ураджай, 1982. – 535 с.
Баранов Л.Ф., Блохин Л.Т., Латушкин В.Н. Эксплуатация и ремонт мелиоративных и строительных машин. – Методические указания по курсовому и дипломному проектированию, БГСХА, 1995. – 76с.
Техническая эксплуатация сельскохозяйственных машин (с нормативными материалами).- М.: ГОСНИТИ, 1993.-327с.
6. Надежность и ремонт машин: Метод, указан./Белорусская сельскохозяйственная академия: Сост. Л.Ф. Баранов-Горки. 1994.-76с.
7. Положение о техническом обслуживании и ремонте подвижного состава автомобильного транспорта агропромышленного комплекса.-М.: ГОСНИТИ. 1987.-63с.
8. Топлива, смазочные материаллы, технические жидкости. Ассортимент и применение: Справочник / И.Г. Анисимов, К.М. Бадыштова, С.А. Бнатов и др.; под ред. В.М. Школьникова. Изд. 2-е перераб. и доп. - М.: Издательский центр "Техинформ", 1999. - 596с.: ил.
9. Технология регенерации отработанного масла. Справочник / И.Г. Морозов, С.А. Бнатов и др.; под ред. И.Г. Морозова Изд. - М.: Издательский центр "Техинформ", 1991 - 446с.: ил.
10. Шашкин П. И., Брай И.В. Регенерация отработанных нефтяных масел. – М.: Химия, 1970. – 304 с.
11. Хитрюк В. А., Логвинова Е. Н. Экономное использование нефтепродуктов: Аналит. обзор. – Мн.: Белорусский научный институт внедрения новых форм хозяйствования в АПК. 2005. – 68 с.
10. Чернин И.М. и др. Расчеты деталей машин. Минск, Высш. шк., 1974. – 592 с.
11. Охрана труда: учеб. пособие / Т.С. Сокол; под общ. ред. Н.В. Овчинниковой. - Мн.: Дизайн ПРО, 2005. - 304 с: ил.
12. В.И. Антипенко, Об итогах работы Департамента государственной инспекции труда и состоянии травмотизма на производстве за 2009 г // Охрана труда и социальная защита.-2008.- №3.-С.12.
13. Гракович Л.А., Ласовец В.П. Порядок расследования и учета несчастных случаев на производстве и профессиональных заболеваний / Сборник нормативных документов – Мн., 1999.
14. Поверка эффективности вентиляции производственных помещений: Метод, указан./БГСХА/; Сост. С.Н. Разинкевич, В.Е. Кругленя, А.Е. Кондраль, А.Н. Кудрявцев. Горки 2007. 17 с.
15. Проверочный расчет систем вентиляции и отопления: Метод, указан./
БГСХА/; Сост. С.Н. Разинкевич, В.А. Гарбар, П.И. Насковец. Горки 1995.20с.
16. Поверка эффективности вентиляции производственных помещений: Метод, указан./БГСХА/; Сост. С.Н. Разинкевич, В.Е. Кругленя, А.Е. Кондраль, А.Н. Кудрявцев. Горки 2007. 17 с.
15. Закон Республики Беларусь от 20 июля 2006 г. № 162-З (Национальный реестр правовых актов Республики Беларусь, 2006 г., № 122, 2/1259).
16. Директива № 3 от 14 июня 2007 г. 17. Основы энергосбережения. / О.В. Свидерская. – Мн.: ТетраСистемс,2008.-176
17. Основы энергосбережения. / О.В. Свидерская. – Мн.: ТетраСистемс, 2008.-176 с.
18. Экономическая эффективность применения новой техники: Метод. указ. по выполнению экономических расчетов при дипломном проектировании. / Сост. В.В. Васильев, О.А. Шавлинский, Е.И. Мажугин; Белорусская с.-х. акад. – Горки, 2004. – 60
19. Приказ по ГУП «Ушачское ПМС» №14 от 22.03.07 г.
Проектирование технологического оборудования и приспособлений в курсовых и дипломных проектах по ремонту машин: Методическое пособие / Л.Ф.Баранов, А.К.Трубилов.- Мн.: Учебно-методический центр Минсельхозпрода, 2002.- 74 с.
Механизация возделывания картофеля с модернизацией культиватора для междурядной обработки
Цель нашей компании - помогать людям при трудностях в написании дипломных, курсовых, рефератов и других учебных работ. Вы берете ответственность за Ваши знания, мы берем ответственность за Ваше спокойствие.
В наличии
Номер: V18
Характеристики
| Тип | Диплом |
| Год | 2013 |
| Кол-во страниц | 100 |
Решающую роль в подъеме сельскохозяйственного производства принадлежит выполнить процессам комплексной механизации и автоматизации производства.
5000 руб.
Заказать работу
Задать вопрос
Заказать работу
Оформите заявку на сайте, мы свяжемся с вами в ближайшее время и ответим на все интересующие вопросы.
